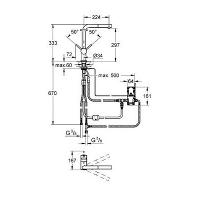
Beskrivelse
Grohe Minta Touch elektronisk 1-grebs køkkenarmatur i krom med svingtud.
- Ethulsmontage
- Touch: aktivering af koldt vand via berøring
- Batteri strømforsyning 6 V lithium-batteri, type CR-P2
- CE godkendt
- Indikation af batteri status ved forskellige vandimpulser
- Sikkerhedssluk
- Magnetventil
- Automatisk sikkerhedssluk (fabriksindstillet på 60 sek.)
- Beskyttelse IP 44
- GROHE SilkMove® 46 mm keramisk patron
- GROHE StarLight® krom finish
- L-tud
- Indstillelig volumenbegrænser
- Svingtud svingfelt 360°
- Udtrækkeligt mousseurudløb
- Tilbagetræk vha. fjedre
- Integreret kontraventil
- Fleksible tilslutningsslanger 3/8″
- System til hurtig montage
- Med kontraventil
- Fremspring: 224 mm
- Byggehøjde total: 333 mm
- Tilslutning: 1/2 “
Alternativt:
opgradering for Touch funktion med blandet vand:
Grohtherm Micro 34 023 000
Forbindelsessæt 47 533 000
Bemærk: Hvis der i forvejen sidder kuglehaner eller stopventiler med 1/2″ gevind,
hvor slangerne fra armaturet skal tilsluttes, er det nødvendigt at tilkøbe 2 stk. spidsmuffer,
da tilslutningsslangerne er med 3/8″ omløbere.
3/8″ = udvendig diameter: 17,5mm
1/2″ = udvendig diameter: 21,3mm
Se relaterede varer.





